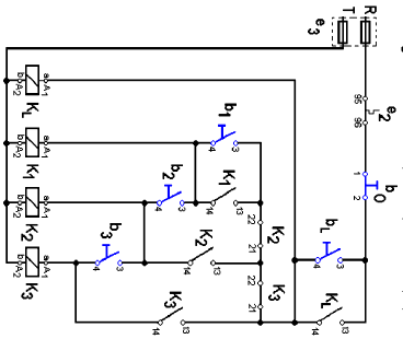
O diagrama de comandos elétricos é mais adequado para o seguinte acionamento:

Provas
Questão presente nas seguintes provas
Professor - Controle e Processos Industriais
40 Questões
O diagrama de comandos elétricos é mais adequado para o seguinte acionamento:
