
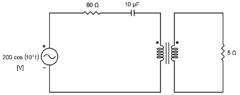
Assinale a alternativa que completa CORRETAMENTE o texto.
No circuito apresentado acima, o transformador é ideal, tendo 200 espiras no enrolamento primário (no lado esquerdo da figura) e 100 espiras no enrolamento secundário. A potência ativa dissipada no resistor de 5 Ω, ligado ao secundário do transformador, é igual a: