Observe o circuito a seguir.

Considerando que inicialmente as entradas de clear e preset sejam acionadas, gerando na saída do circuito o código Q3=0, Q2=0, Q1=0, QO=1, qual deverá ser a sequência apresentada nas saídas Q do circuito apresentado?
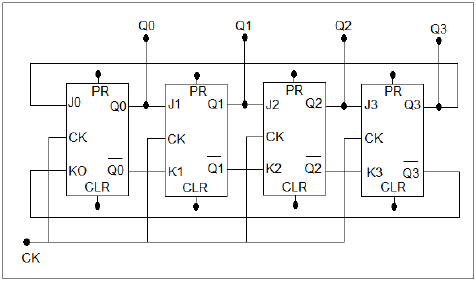
Observe o circuito a seguir.

Considerando que inicialmente as entradas de clear e preset sejam acionadas, gerando na saída do circuito o código Q3=0, Q2=0, Q1=0, QO=1, qual deverá ser a sequência apresentada nas saídas Q do circuito apresentado?