Magna Concursos
Questões
Planos
Entrar
Entrar
Criar Conta
Respondida
2398728
Ano:
2010
Disciplina:
Engenharia Elétrica
Banca:
PUC-PR
Orgão:
COPEL
Provas:
Técnico Industrial - Eletromecânica
Provas
×
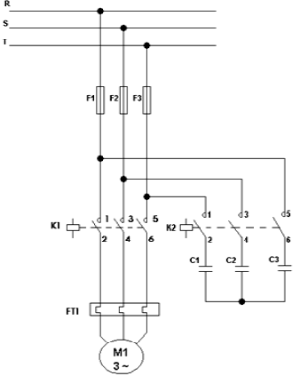
O circuito de força representado abaixo caracteriza:
Fonte: Manual de tarefas – Eng. Elétrica – Pucpr.
A
Acionamento de motor trifásico com correção do fator de potência através de banco de capacitores.
B
Acionamento de motor trifásico em rede bifásica com o auxílio de capacitor.
C
Acionamento de motor trifásico com filtro contra interferências eletromagnéticas.
D
Acionamento de motor trifásico com partida compensadora.
E
Acionamento de motor trifásico com correção de afundamento de tensão.
Resolver
Comentários
0
×
Cadernos
×
Flashcards
×
Estatísticas
×
Reportar um erro
×
Provas
Questão presente nas seguintes provas
Técnico Industrial - Eletromecânica
50 Questões
Resolver Prova
Publicar
Responder
Qual o problema da questão?
Selecione uma opção
Questão Desatualizada
Questão Repetida
Gabarito Errado
Outros Motivos
Mensagem
Enviar
Acessar
Criar Conta
Acesse sua Conta
Google
Facebook
Esqueci minha senha
Acessar
Ainda não tem conta?
Crie uma
!
Crie uma Conta
Criar Conta
Olá, para continuar, precisamos criar uma conta!
É
rápido
e
grátis
.
Google
Facebook
Concordo com os
Termos de Uso
Criar
Já tem uma conta?
Acesse aqui