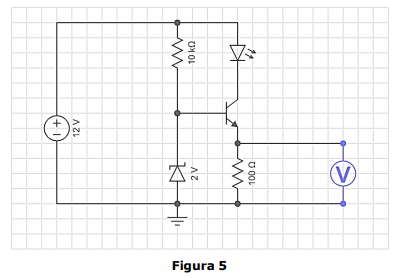
Sobre o circuito da Figura 5, analise as assertivas abaixo e assinale a alternativa correta. Observação: assumir Vbe = 0,8 V.

I. Trata-se de um circuito regulador a transistor tipo série.
II. O circuito está na condição de não condução.
III. A potência dissipada na carga de 100 Ohms é de 14,4 mW.
IV. O diodo zener no circuito não tem função relevante.