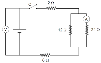
No circuito esquematizado na figura, o voltímetro (ideal) indica 60 V com a chave aberta. Já o amperímetro (ideal) indica 1 A com a chave fechada.

A resistência interna do gerador é igual a:
No circuito esquematizado na figura, o voltímetro (ideal) indica 60 V com a chave aberta. Já o amperímetro (ideal) indica 1 A com a chave fechada.

A resistência interna do gerador é igual a: