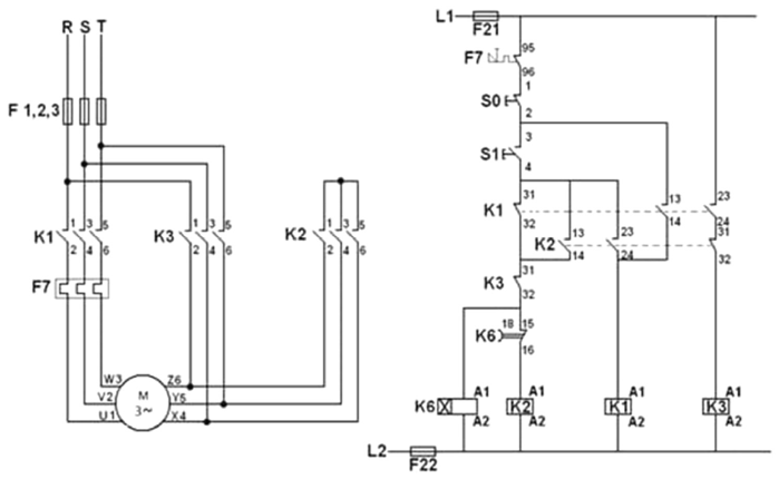
Veja a figura a seguir.

Disponível em <https://www.sabereletrica.com.br/partida-direta-e-indireta/>. Acesso em: 09 set. 2022.
A figura representa um sistema de partida de motor de indução trifásico. A partida do motor é realizada pressionando-se a botoeira S1. Ao tentar partir o motor, o operador acionou a botoeira S1, porém, o motor não partiu e se manteve vibrando e emitindo um ruído de vibração semelhante ao zumbido de abelhas. Dentre as opções a seguir, qual delas é a causa compatível com o comportamento descrito?