Magna Concursos
3390041 Ano: 2013
Disciplina: Engenharia Elétrica
Banca: UFPA
Orgão: UFPA

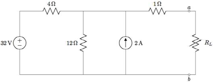
No circuito abaixo, a resistência e a tensão de Thevenin nos pontos a e b são respectivamente.

Enunciado 3732431-1

 

Provas

Questão presente nas seguintes provas

Técnico - Eletroeletrônica

50 Questões