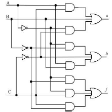
A figura a seguir representa uma parte de um decodificador de 7-segmentos, onde foram mantidas as entradas A, B e C e as saídas correspondentes aos filamentos a, b e f de um display de 7-segmentos de catodo comum.

Da análise da figura, pode-se concluir que a entrada (A, B, C), que resulta em uma saída (a, b, f) = (0, 1, 1), é: