Veja a ilustração que segue.

A figura mostra indicações de cotas de duas peças, uma com um furo e a outra com um eixo. A montagem das peças sugere
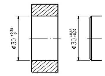
Veja a ilustração que segue.

A figura mostra indicações de cotas de duas peças, uma com um furo e a outra com um eixo. A montagem das peças sugere