
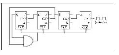
Com relação ao circuito seqüencial cujo diagrama está ilustrado acima, e considerando que os bits D, C, B e A formam um número variável binário em que D é o bit mais significativo, julgue os itens subseqüentes.
Trata-se de um contador assíncrono.
Provas
Questão presente nas seguintes provas
Perito Criminal Federal - Engenharia Elétrica
120 Questões