Para motores cuja elevação de temperatura admissível seja 40°C,
ou com fator de serviço igual ou superior a 1,15, a capacidade
nominal dos dispositivos de proteção contra sobrecargas deverá
ser 125% da corrente nominal do motor e 115% nos demais casos.
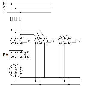
Qual deverá ser a regulagem aproximada do relé de sobrecarga
(Rb) em ampères de um motor trifásico de 15 cv (11 kW), 220
volts, In 45 ampères, 60Hz, 4 polos, fator de serviço de 1,15, sem
indicação de temperatura, conectado em uma chave estrela-triângulo
automática?

