Magna Concursos
Questões
Planos
Entrar
Entrar
Criar Conta
Respondida
2467212
Ano:
2013
Disciplina:
Engenharia Eletrônica
Banca:
IBFC
Orgão:
HEMOMINAS
Provas:
Engenheiro Clínico
Provas
×
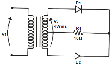
Retificadores de meia onda e onda completa (carga resistiva)
Verificando determinado equipamento foi constatado que o circuito abaixo se encontra com problemas.
Para um levantamento teórico de dados, você calculou a tensão de pico na saída do transformador e o valor encontrado foi:
A
1,36 V.
B
4,00 V.
C
5,66 V.
D
8,00 V.
Resolver
Comentários
0
×
Cadernos
×
Flashcards
×
Estatísticas
×
Reportar um erro
×
Provas
Questão presente nas seguintes provas
Engenheiro Clínico
60 Questões
Resolver Prova
Publicar
Responder
Qual o problema da questão?
Selecione uma opção
Questão Desatualizada
Questão Repetida
Gabarito Errado
Outros Motivos
Mensagem
Enviar
Acessar
Criar Conta
Acesse sua Conta
Google
Facebook
Esqueci minha senha
Acessar
Ainda não tem conta?
Crie uma
!
Crie uma Conta
Criar Conta
Olá, para continuar, precisamos criar uma conta!
É
rápido
e
grátis
.
Google
Facebook
Concordo com os
Termos de Uso
Criar
Já tem uma conta?
Acesse aqui