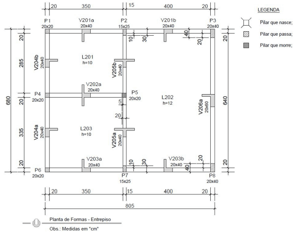
Considerando a Planta de Fôrmas abaixo, pode-se afirmar que:

I. O trecho “a” da viga “V205” possui seção transversal com altura igual a 20cm e largura de 40cm.
II. O pilar “P5” termina no entrepiso.
III. A espessura da laje “L202” é igual a 12cm.
IV. O pilar “P7” possui seção longitudinal de 15cm x 25cm.
São verdadeiras apenas as afirmativas: