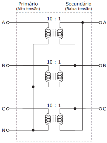
Três transformadores monofásicos de 5 kVA, cada um com relação de transformação de tensão de 10:1, são conectados de forma a produzir um transformador trifásico, conforme a figura.

Se a tensão eficaz de linha aplicada ao lado de alta tensão é 220 V, a tensão eficaz de fase induzida no secundário de baixa tensão é