Magna Concursos
Questões
Planos
Entrar
Entrar
Criar Conta
Respondida
1337401
Ano:
2013
Disciplina:
Engenharia Elétrica
Banca:
IF-SUL
Orgão:
IF-SUL
Provas:
Professor PEBTT - Processos Industriais/Área 03
Provas
×
Instalações Elétricas
Aterramentos
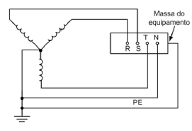
Considere as três configurações de aterramento abaixo.
I -
II -
III -
Sobre elas, é correto afirmar que o item
A
III
se refere a um sistema de aterramento TT, sendo o mais eficiente dos três sistemas.
B
I
se refere a um sistema de aterramento TN-C, sendo o menos eficiente dos três sistemas.
C
II
se refere a um sistema de aterramento TN-C, sendo o mais eficiente dos três sistemas.
D
I
se refere a um sistema de aterramento TT.
Resolver
Comentários
0
×
Cadernos
×
Flashcards
×
Estatísticas
×
Reportar um erro
×
Provas
Questão presente nas seguintes provas
Professor PEBTT - Processos Industriais/Área 03
40 Questões
Resolver Prova
Publicar
Responder
Qual o problema da questão?
Selecione uma opção
Questão Desatualizada
Questão Repetida
Gabarito Errado
Outros Motivos
Mensagem
Enviar
Acessar
Criar Conta
Acesse sua Conta
Google
Facebook
Esqueci minha senha
Acessar
Ainda não tem conta?
Crie uma
!
Crie uma Conta
Criar Conta
Olá, para continuar, precisamos criar uma conta!
É
rápido
e
grátis
.
Google
Facebook
Concordo com os
Termos de Uso
Criar
Já tem uma conta?
Acesse aqui