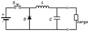
Um processo de conversão CC/CC é realizado pelo circuito básico esquematizado na figura abaixo.

Esse processo é identificado do tipo:
Um processo de conversão CC/CC é realizado pelo circuito básico esquematizado na figura abaixo.

Esse processo é identificado do tipo: