Magna Concursos
945025 Ano: 2010
Disciplina: Engenharia Civil
Banca: CESPE / CEBRASPE
Orgão: TRE-MT
Enunciado 945025-1

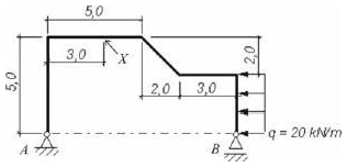
No pórtico rígido, plano e com peso desprezível apresentado na figura acima, submetido ao carregamento uniformemente distribuído indicado, as dimensões são dadas em metros.
Para as condições apresentadas na figura, é correto afirmar que o módulo M do momento fletor no ponto X, em kNm, é
 

Provas

Questão presente nas seguintes provas

Analista Judiciário - Engenharia Civil

60 Questões