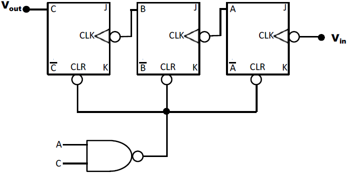
A figura abaixo mostra um contador assíncrono montado com flip-flops tipo JK. Todos os sinais J e K estão ligados em 1 lógico. CLK é o sinal de clock e CLR é o sinal de clear.

Com base na figura acima, e considerando que a tensão de entrada (Vin) tem uma frequência de 100 kHz, qual o valor da frequência de saída (Vout)?