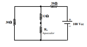
Para a fabricação de determinado medicamento, existe a necessidade do aquecimento de uma substância química. No laboratório, é utilizado o circuito da figura abaixo como aquecedor. Considerando que não existe nenhuma limitação do valor da corrente que circula pelas resistências, determine o valor da resistência Rx do aquecedor para que ocorra a máxima dissipação de potência por essa resistência.
