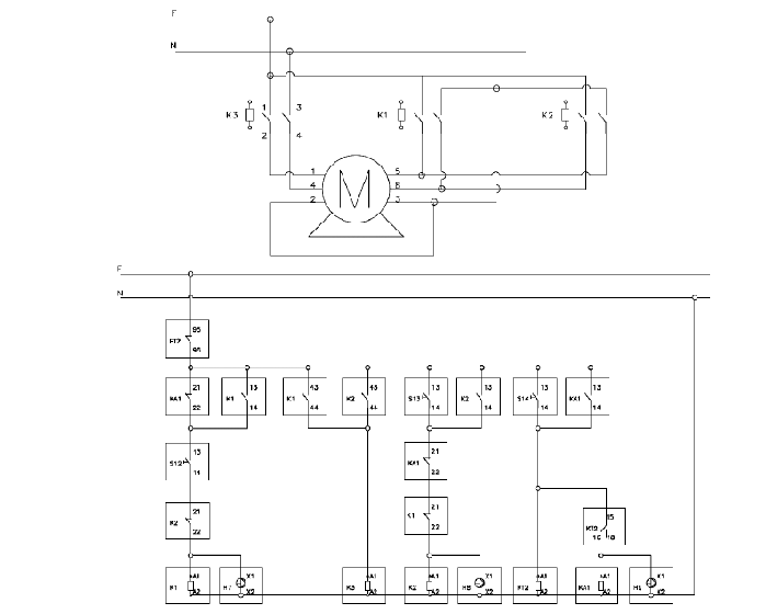
Os diagramas de força e comando abaixo se referem ao acionamento para inversão da rotação de motor de indução monofásico.

Com base nesses diagramas, assinale a alternativa correta.
Os diagramas de força e comando abaixo se referem ao acionamento para inversão da rotação de motor de indução monofásico.

Com base nesses diagramas, assinale a alternativa correta.