Magna Concursos
Questões
Planos
Entrar
Entrar
Criar Conta
Respondida
1077975
Ano:
2018
Disciplina:
Engenharia Eletrônica
Banca:
UFRPE
Orgão:
UFRPE
Provas:
Técnico de Laboratório - Eletrônica
Provas
×
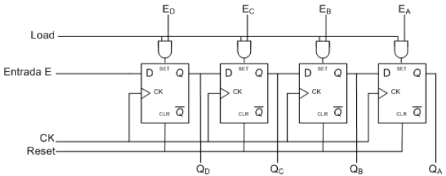
Contadores e registradores
Observe o circuito lógico representado abaixo e assinale a alternativa
incorreta
.
A
Trata-se de um registrador síncrono, porque os pulsos de clock (relógio) ativam todos os flip-flops simultaneamente.
B
As entradas Reset e Load são assíncronas, pois independem do pulso de clock (relógio).
C
O circuito pode operar com a entrada E e a saída QA, ambas seriais, sendo necessários 4 pulsos de clock (relógio) para se ter a informação desejada.
D
O circuito opera como registrador série-paralelo ou como paralelo-série.
E
É possível operar o circuito como um registrador paralelo-paralelo, necessitando de apenas um pulso de clock (relógio) para transmitir as entradas para as saídas.
Resolver
Comentários
0
×
Cadernos
×
Flashcards
×
Estatísticas
×
Reportar um erro
×
Provas
Questão presente nas seguintes provas
Técnico de Laboratório - Eletrônica
64 Questões
Resolver Prova
Publicar
Responder
Qual o problema da questão?
Selecione uma opção
Questão Desatualizada
Questão Repetida
Gabarito Errado
Outros Motivos
Mensagem
Enviar
Acessar
Criar Conta
Acesse sua Conta
Google
Facebook
Esqueci minha senha
Acessar
Ainda não tem conta?
Crie uma
!
Crie uma Conta
Criar Conta
Olá, para continuar, precisamos criar uma conta!
É
rápido
e
grátis
.
Google
Facebook
Concordo com os
Termos de Uso
Criar
Já tem uma conta?
Acesse aqui