Magna Concursos
834838 Ano: 2013
Disciplina: Engenharia Elétrica
Banca: IBFC
Orgão: PC-RJ
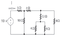
Para o circuito abaixo, determine a resistência equivalente, vista pela fonte, e a corrente I que passa pelo resistor de !$ 1 \Omega !$.
Enunciado 834838-1
 

Provas

Questão presente nas seguintes provas