Magna Concursos
2822675 Ano: 2022
Disciplina: Engenharia Eletrônica
Banca: Consulplan
Orgão: PTI

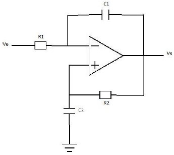
A equação no domínio da frequência que expressa a relação Vs(s) / Ve(s) é:

Enunciado 3048781-1

 

Provas

Questão presente nas seguintes provas

Engenheiro Eletricista - Simulação

50 Questões