
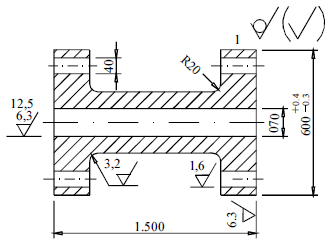
O desenho acima é a representação de uma vista em corte de um carretel de máquina. Nele estão assinalados o dimensionamento e as tolerâncias que deverão ser seguidas na usinagem do carretel. Com relação a essas informações e ao contexto da usinagem, julgue o seguinte item.
A tolerância de fabricação para o diâmetro externo é de 0,10 mm.