
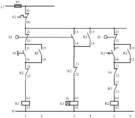
Figura 1 - Comando de abertura e fechamento de um portão
O esquema de comando apresentado na Figura 1 exemplifica um processo de abertura e fechamento de um portão. A ativação da chave de fim de curso S3 indica que o portão está fechado, e S2 ativo indica que o portão está aberto. Analisando o diagrama de comando marque a alternativa CORRETA.