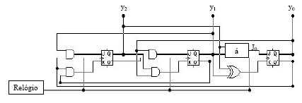
O circuito seqüencial síncrono abaixo deve funcionar como um contador GRAY, cuja contagem deve seguir esta seqüência: y2y1y0=(000, 001, 011, 010, 110, 111, 101, 100, 000,¼).Qual é a porta lógica correta para substituir o bloco á que fornece o valor para J0 do flip-flop mais à direita?
