Magna Concursos
Questões
Planos
Entrar
Entrar
Criar Conta
Respondida
867709
Ano:
2014
Disciplina:
Engenharia Elétrica
Banca:
IF-CE
Orgão:
IF-CE
Provas:
Técnico de Eletrotécnica
Provas
×
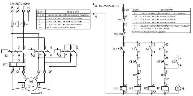
Com base nas figuras abaixo, que mostram os diagramas de força e de comando de uma chave de partida estrela-triângulo acionando um motor de indução trifásico, no momento que se pressionar o botão S1,
A
o motor será energizado, porém não acontecerá o fechamento da estrela e ele não entrará em funcionamento.
B
o motor partirá ligado em estrela, mas a chave não comutará para a ligação triângulo.
C
o motor partirá ligado em triângulo.
D
nenhum contator ligará e o motor não partirá.
E
ocorrerá um curto-circuito.
Resolver
Comentários
0
×
Cadernos
×
Flashcards
×
Estatísticas
×
Reportar um erro
×
Provas
Questão presente nas seguintes provas
Técnico de Eletrotécnica
60 Questões
Resolver Prova
Publicar
Responder
Qual o problema da questão?
Selecione uma opção
Questão Desatualizada
Questão Repetida
Gabarito Errado
Outros Motivos
Mensagem
Enviar
Acessar
Criar Conta
Acesse sua Conta
Google
Facebook
Esqueci minha senha
Acessar
Ainda não tem conta?
Crie uma
!
Crie uma Conta
Criar Conta
Olá, para continuar, precisamos criar uma conta!
É
rápido
e
grátis
.
Google
Facebook
Concordo com os
Termos de Uso
Criar
Já tem uma conta?
Acesse aqui