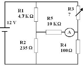
Assinale a alternativa que representa o valor, em quiloohms (kΩ) que o resistor variável R3 deve ser ajustado para que a corrente em R5, indicada no amperímetro, seja zero ampère.

Provas
Questão presente nas seguintes provas
CFS - Aeronavegantes e Não-Aeronavegantes
100 Questões
CFS - Controle de Tráfego Aéreo
100 Questões