Um motor elétrico trifásico de 10 cv, 380 V/60 Hz, de dois polos, aciona a bomba de recalque de um sistema de abastecimento de água potável. Devido à falta de uma das fases, o motor queimou. O eletricista verificou a possibilidade de substituir o motor por outro com alguns parâmetros diferentes daqueles do motor avariado.
Com base nessa situação hipotética, julgue os itens que se seguem.
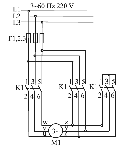
Caso o esquema de alimentação seja o da figura abaixo, é correto concluir que o motor tem sistema de partida direta.

Provas
Questão presente nas seguintes provas