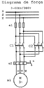
Observe a figura a seguir.

O diagrama ilustrado acima mostra um motor de indução trifásico alimentado por uma rede elétrica trifásica em que as fases são R, S e T e o motor é comandado por chaves contataras C1 e C2. Com base no funcionamento do circuito e no diagrama de força, assinale a opção correta.