Considere o esquema isostático e os dados a seguir.

Dados:
q1 = 10 kN/m
q2 = 2q1
P1, P2 e P3 são apenas pontos da estrutura
No ponto P1, o valor do momento fletor em kN!$ \cdot !$m e o sentido de giro são, respectivamente
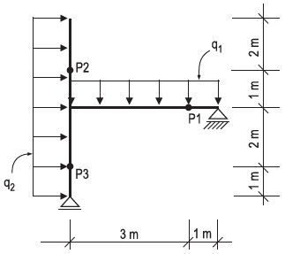
Considere o esquema isostático e os dados a seguir.

Dados:
q1 = 10 kN/m
q2 = 2q1
P1, P2 e P3 são apenas pontos da estrutura
No ponto P1, o valor do momento fletor em kN!$ \cdot !$m e o sentido de giro são, respectivamente