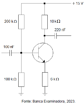
O estágio amplificador mostrado na figura abaixo usa um transistor operando com !$ \beta = 100 !$ e Vbe = 0,7 V.

Considerando as informações e estágio amplificador da figura acima, o valor da corrente de coletor em estado quiescente é:
O estágio amplificador mostrado na figura abaixo usa um transistor operando com !$ \beta = 100 !$ e Vbe = 0,7 V.

Considerando as informações e estágio amplificador da figura acima, o valor da corrente de coletor em estado quiescente é: