Observe o circuito a seguir.

Fonte: Arquivo Banca Elaboradora.
Considerando o circuito a seguir com um valor mínimo de VGS = - 3V, qual será o valor de sua tensão de dreno relativo ao terra?
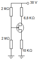
Observe o circuito a seguir.

Fonte: Arquivo Banca Elaboradora.
Considerando o circuito a seguir com um valor mínimo de VGS = - 3V, qual será o valor de sua tensão de dreno relativo ao terra?