Magna Concursos
3311968 Ano: 2024
Disciplina: Engenharia Elétrica
Banca: AOCP
Orgão: SEAP-PR
Provas:

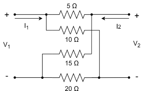
Com base no quadripolo da figura a seguir, assinale a alternativa que apresenta o valor do parâmetro b12.

Enunciado 3618602-1

 

Provas

Questão presente nas seguintes provas

Engenheiro Eletricista

50 Questões