Magna Concursos
3672469 Ano: 2025
Disciplina: Engenharia Elétrica
Banca: FGV
Orgão: DPE-RO

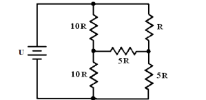
Considere o circuito da figura abaixo:

Enunciado 4428214-1

A tensão de Thévenin do equivalente de Thévenin que alimentará o resistor R é

 

Provas

Questão presente nas seguintes provas

Analista de Defensoria - Engenharia Elétrica

70 Questões