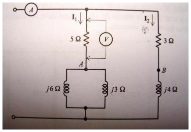
Observe o circuito abaixo. Nele, um voltímetro está conectado a um resistor de 5Ω que indica 45V. Qual é a indicação do amperímetro e qual é a tensão entre os pontos A e B respectivamente? (dados II =9∠0º I2= 9,7∠-31.3º )


Provas
Questão presente nas seguintes provas