
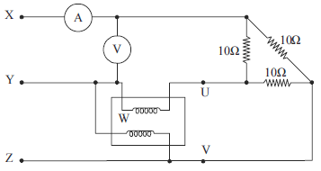
Considere que, a partir de medidas elétricas realizadas no circuito acima, se tenha constatado que somente um dos medidores — voltímetro
, amperímetro
e wattímetro W — estava funcionando adequadamente e, que, apesar disso, nenhum medidor tenha sido substituído. Sabendo que a carga trifásica opera normalmente, sendo alimentada por tensão eficaz de linha igual a 100 V, julgue o item subsequente.
O voltímetro mede a tensão de fase em uma das fases da carga.
Provas
Questão presente nas seguintes provas
Pesquisador do Inmetro - Engenharia Elétrica
120 Questões