
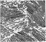
Observe a micrografia de um aço eutetóide, que revela a microestrutura lamelar. O aço eutetóide é um aço que tem um teor de carbono
Provas
Questão presente nas seguintes provas
Engenheiro de Equipamentos - Terminais e Dutos
70 Questões