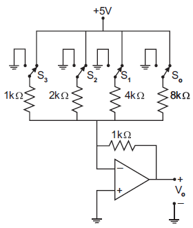
A figura abaixo ilustra um conversor Digital-Analógico, onde as chaves representam os níveis lógicos do sinal digital e o amplificador operacional é considerado ideal.

Sabendo-se que a chave S3 corresponde ao bit mais significativo e que +5 V representa o nível lógico “1”, o conjunto de bits na entrada que gera a tensão de saída Vo= –3,75V é: