Observe a figura abaixo.

Considere o módulo de rigidez igual a 80.000 MPa.
Qual a tensão de cisalhamento máxima, em MPa, devido a esforço de torção no corpo cilíndrico?
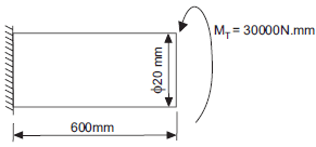
Observe a figura abaixo.

Considere o módulo de rigidez igual a 80.000 MPa.
Qual a tensão de cisalhamento máxima, em MPa, devido a esforço de torção no corpo cilíndrico?