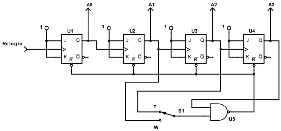
Abaixo temos um contador digital implementado com 4 (quatro) flip-flops tipo JK.

Fonte: Arquivo da Banca Elaboradora.
Informe se é verdadeiro (V) ou falso (F) o que se afirma abaixo sobre o contador digital.
( ) É um contador modo 16.
( ) Quando a chave S1 está no posição T (tal como na figura), é um contador modo 13.
( ) Quando a chave S1 está no posição W (posição outra do que a da figura) é um contador modo 10.
( ) Além dos estados firmes que definem o modo do contador, esse contador apesenta um estado de transição.
Marque a alternativa com a sequência correta.