Magna Concursos
3383776 Ano: 2007
Disciplina: Engenharia Civil
Banca: FCC
Orgão: MPU
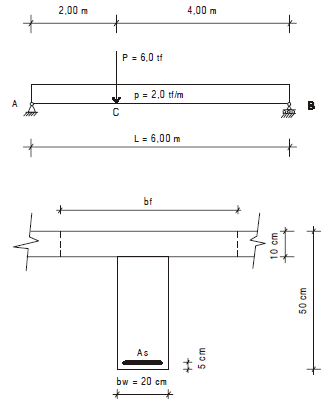
Atenção: Para responder à questão, considere as figuras abaixo.

Dados:
L = comprimento do vão = 6,00 m
b = distância entre faces de vigas = 4,00 m

Enunciado 3806404-1

As reações verticais nos apoios A e B, em tf, são, respectivamente:

 

Provas

Questão presente nas seguintes provas