
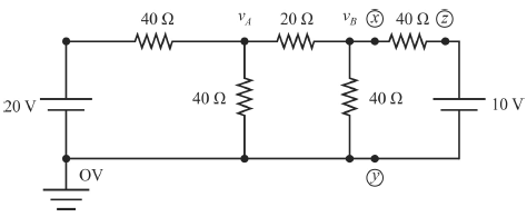
Tendo como referência o circuito apresentado acima, julgue o item a seguir.
A corrente que flui do nó vA para o nó vB é igual a \(1 \over 12\) A.
Provas
Questão presente nas seguintes provas

Tendo como referência o circuito apresentado acima, julgue o item a seguir.
A corrente que flui do nó vA para o nó vB é igual a \(1 \over 12\) A.