- Instalações ElétricasAterramentos
- Normas TécnicasNBRsNBR 5410: Instalações Elétricas de Baixa Tensão
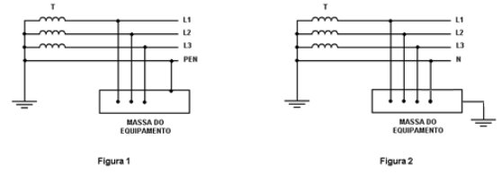
As Figuras 1 e 2 mostram esquemas de aterramento utilizados em instalações elétricas de
baixa tensão, conforme a norma ABNT NBR 5410:2004.

Nessas figuras, T é o secundário do transformador, L1, L2 e L3 são as fases, N é o neutro e PEN é o condutor de proteção e neutro. De acordo com tais informações, os esquemas de aterramento representados nas referidas Figuras são denominados, respectivamente,

Nessas figuras, T é o secundário do transformador, L1, L2 e L3 são as fases, N é o neutro e PEN é o condutor de proteção e neutro. De acordo com tais informações, os esquemas de aterramento representados nas referidas Figuras são denominados, respectivamente,