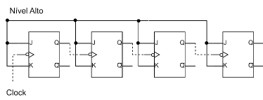
A seguir, é apresentado um contador binário assíncrono de quatro bits.

Cada flip-flop JK é acionado na borda negativa do sinal proveniente da saída do flip-flop anterior com atraso de propagação de 5 ns. O primeiro flip-flop é acionado na borda negativa do sinal de um clock proveniente de um circuito oscilador. Assinale a alternativa que apresenta corretamente a frequência de clock máxima com que esse contador pode operar.