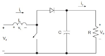
Considere o conversor CC-CC representado na figura abaixo em que a corrente iL flui pelo indutor L produzindo uma diferença de potencial VL. Há um capacitor C em paralelo com a resistência R na qual se mede a tensão de saída V0, e uma corrente i0 flui por esse último componente.

Admitindo que o ciclo de trabalho (duty-cycle) valha 0,4 e que a tensão de entrada Vd seja de 60V, a tensão de V0 de saída, em volts, será: