Observe a figura a seguir:

Qual é o valor dos resistores RB e RC, respectivamente, representados na figura acima, para polarizar o transistor com as seguintes características:
Dados: VCE = 12V, Ib = 10uA
VBE = 0,7V e Ic = 3mA
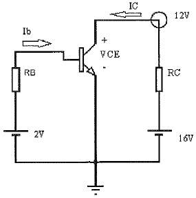
Observe a figura a seguir:

Qual é o valor dos resistores RB e RC, respectivamente, representados na figura acima, para polarizar o transistor com as seguintes características:
Dados: VCE = 12V, Ib = 10uA
VBE = 0,7V e Ic = 3mA