Texto para as questões de 68 a 71
Considere as tensões no ponto Q de um material isotrópico, representadas pelo elemento de tensão mostrado na figura seguinte.

As tensões principais,
, em MPa, valem, respectivamente
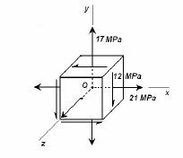
Texto para as questões de 68 a 71
Considere as tensões no ponto Q de um material isotrópico, representadas pelo elemento de tensão mostrado na figura seguinte.

As tensões principais,
, em MPa, valem, respectivamente