Magna Concursos
1127200 Ano: 2017
Disciplina: Engenharia Elétrica
Banca: FUNDATEC
Orgão: IGP-RS

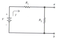
Calcule o equivalente de Thévenin para o circuito nos terminais a e b da Figura abaixo, sendo V = 5 V, R1 = 2 Ω e R2 = 8 Ω.

Enunciado 1127200-1

 

Provas

Questão presente nas seguintes provas

Perito Criminal - Engenharia Elétrica

80 Questões